48+ Circuit Diagram Schematic
Zx Spectrum Pcb Schematics And Layout Spectrum For Everyone

No Ficm Logic Power Flp Crank No Start Solved Ford Powerstroke Diesel Forum
Interfacing Ds1307 Rtc Chip With Avr Microcontroller
48v Solar Battery Charger Circuit With High Low Cut Off Homemade Circuit Projects
Pdu Choice Stv 4540d Server Technology Pro1 Switched Pdu Switched Managed Vertical Ports 24 X C13 With Feed C20 16a Servertech Product Details
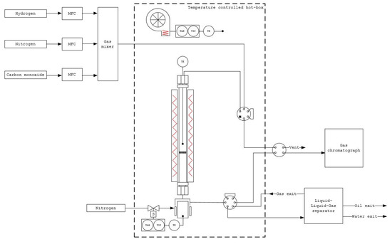
Catalysts Free Full Text Kinetic Study Based On The Carbide Mechanism Of A Co Pt G Al2o3 Fischer Tropsch Catalyst Tested In A Laboratory Scale Tubular Reactor
Zx Spectrum Pcb Schematics And Layout Spectrum For Everyone
36v Or 48v Automatic Battery Charger Circuit Diagram
Lm4871 Vfd Filament Driver Circuit Issue
Lm4871 Audio Amplifier Btl Configuration Question Electrical Engineering Stack Exchange
48v Psu Schematic Attempt Groupdiy Audio Forum
Sn75lvdm976 977 By Texas Instruments Datasheet Digikey
What Is A Block Diagram For An Analog To Digital Converter System Quora
Chinese 110cc Atv Wiring Diagram
Zx Spectrum 48 Issue 3b Redrawn Share Project Pcbway
Sensor News Archives Page 56 Of 195 F4news
What Is A Block Diagram For An Analog To Digital Converter System Quora
Solved Help With Driving Scr With Microcontroller Forum For Electronics